
·产品概述·
离心鼓风机是长沙鼓风机厂有限责任公司与西安交通大学合作并吸收国内外先进技术开发而成,包括多级低速离心鼓风机、单级低速离心鼓风机和单级高速离心鼓风机等产品,共3个基本系列、上百种派生机型。流量50~2000m3/min,升压10~150kPa。
● C系列多级低速离心鼓风机
流量50~1000m3/min,升压19.6~150kPa。单吸入、双支承、多级结构。该系列离心鼓风机可广泛应用于水处理曝气、电厂脱硫氧化、冶炼炉、洗煤厂、矿山浮选、化工造气、真空领域等;另外,通过结构的适当变化,亦可用于输送煤气、沼气等其它特殊气体。
派生机型
由上述基本系列产品,可以派生出下列多种用途离心鼓风机:
●污水处理鼓风机流量50~600m3/min升压49.0~98kPa
●脱硫氧化鼓风机流量60~800m3/min升压49.0~150kPa
●二氧化硫鼓风机流量200~2000m3/min升压26.4~53.9kPa
●造气炉鼓风机流量300~1500m3/min升压23.5~34.3kPa
●化铁炉鼓风机流量50~350m3/min升压9.8~29.4kPa
●冶炼高炉鼓风机流量100~1000m3/min升压49.0~150kPa
●煤气鼓风机流量100~1250m3/min升压19.6~53.9kPa
●浮选、洗煤鼓风机流量50~500m3/min升压19.6~68.6kPa
·产品选型·
型号说明

例如:
C300–1.7/1.0 表示在温度20℃,进口压力1.0kgf/cm2(98kPa)相对湿度50%的进气条件下,进口流量为300 m3/min,出口压力1.7kgf/cm2(升压68.6kPa)的多级离心鼓风机。
系列型谱图
由图表所示流量和压力可初步确定离心鼓风机的性能范围,然后综合其他技术条件和要求,由专业技术人员具体选型。
选型要素
● 技术条件
输送介质、进气状况、流量、升压(或排气压力),环境条件等。
● 选型计算
当介质为空气、进气状况及环境条件与规定吸入状态相符,则可根据流量、升压或排气压力在本样本中进行直接选取。
若介质、进气状况及环境条件与规定吸入状态不符(如温度或密度差异较大)应对选型参数进行核算和修正
(1) 环境温度
鼓风机设计温度为20℃。对曝气鼓风机,进气温度每升高1℃,排气压力下降0.002kgf/cm2.夏季温度为40℃时,排气压力大约下降0.04kgf/cm2。
(2) 海拔高度
鼓风机进气压力(设计值)为1.0kgf/cm2。当海拔高度较大时,应根据当地大气压对鼓风机进气流量和排气压力进行修正,以保证其正常运行。
(3) 标准流量与进气流量换算
如鼓风机在标准状态(0℃,1.033kgf/cm2)下的流量为QN,其实际进气状态(ts,Ps)下的流量为:
Qs=( ts+273)/273×1.033/ Ps×QN
ts: 进气温度,℃
Ps: 进气压力,kgf/cm2
(4) 常用压力单位的换算
9.8kPa=0.1 kgf/cm2=1000mmH2O=98mbar=0.0967atm=73.5mmHg
产品介绍·
C系列多级低速离心鼓风机
● 多级离心鼓风机特点
◎ 先进的空气动力学设计,叶轮工作效率高。
◎ 机壳采用水平剖分焊接结构,结构简单,重量轻。
◎ 性能曲线平坦,性能易于调节。
◎ 结构先进合理,易损件减少,操作、维护方便。
● 多级离心鼓风机典型数据表
型号 | 输送介质 | 进口工况 | 升压(kpa) | 轴功率(kW) | 电机功率(kW) | ||
流量(m3/min) | 压力(kgf/cm2) | 温度(℃) | |||||
C50-1.2 | 空气 | 50 | 1.0 | 20 | 19.6 | 21 | 30 |
C50-1.3 | 空气 | 50 | 1.0 | 20 | 29.4 | 33.5 | 45 |
C50-1.4 | 空气 | 50 | 1.0 | 20 | 39.2 | 43.7 | 55 |
C50-1.5 | 空气 | 50 | 1.0 | 20 | 49.0 | 53.2 | 75 |
C50-1.6 | 空气 | 50 | 1.0 | 20 | 58.8 | 67.9 | 90 |
C60-1.2 | 空气 | 60 | 1.0 | 20 | 19.6 | 27.1 | 37 |
C60-1.3 | 空气 | 60 | 1.0 | 20 | 29.4 | 40.4 | 55 |
C60-1.4 | 空气 | 60 | 1.0 | 20 | 39.2 | 50.7 | 75 |
C60-1.5 | 空气 | 60 | 1.0 | 20 | 49.0 | 69.1 | 90 |
C60-1.6 | 空气 | 60 | 1.0 | 20 | 58.8 | 79.1 | 110 |
C80-1.2 | 空气 | 80 | 1.0 | 20 | 19.6 | 35.2 | 45 |
C80-1.3 | 空气 | 80 | 1.0 | 20 | 29.4 | 53.3 | 75 |
C80-1.4 | 空气 | 80 | 1.0 | 20 | 39.2 | 70.7 | 90 |
C80-1.5 | 空气 | 80 | 1.0 | 20 | 49.0 | 89.5 | 110 |
C80-1.6 | 空气 | 80 | 1.0 | 20 | 58.8 | 104 | 132 |
C80-1.7 | 空气 | 80 | 1.0 | 20 | 68.6 | 120 | 160 |
C100-1.2 | 空气 | 100 | 1.0 | 20 | 19.6 | 45.7 | 55 |
C100-1.3 | 空气 | 100 | 1.0 | 20 | 29.4 | 68.0 | 90 |
C100-1.4 | 空气 | 100 | 1.0 | 20 | 39.2 | 90.0 | 110 |
C100-1.5 | 空气 | 100 | 1.0 | 20 | 49.0 | 111 | 132 |
C100-1.6 | 空气 | 100 | 1.0 | 20 | 58.8 | 131 | 160 |
C100-1.7 | 空气 | 100 | 1.0 | 20 | 68.6 | 153 | 185 |
C125-1.2 | 空气 | 125 | 1.0 | 20 | 19.6 | 57 | 75 |
C125-1.3 | 空气 | 125 | 1.0 | 20 | 29.4 | 85.0 | 110 |
C125-1.4 | 空气 | 125 | 1.0 | 20 | 39.2 | 111 | 132 |
C125-1.5 | 空气 | 125 | 1.0 | 20 | 49.0 | 137 | 160 |
C125-1.6 | 空气 | 125 | 1.0 | 20 | 58.8 | 163 | 185 |
C125-1.7 | 空气 | 125 | 1.0 | 20 | 68.6 | 188 | 220 |
C150-1.2 | 空气 | 150 | 1.0 | 20 | 19.6 | 66.2 | 90 |
C150-1.3 | 空气 | 150 | 1.0 | 20 | 29.4 | 97.7 | 132 |
C150-1.4 | 空气 | 150 | 1.0 | 20 | 39.2 | 129 | 160 |
C150-1.5 | 空气 | 150 | 1.0 | 20 | 49.0 | 160 | 185 |
C150-1.6 | 空气 | 150 | 1.0 | 20 | 58.8 | 191 | 220 |
C150-1.7 | 空气 | 150 | 1.0 | 20 | 68.6 | 221.3 | 250 |
C150-1.8 | 空气 | 150 | 1.0 | 20 | 78.4 | 249.1 | 315 |
C200-1.2 | 空气 | 200 | 1.0 | 20 | 19.6 | 87.6 | 110 |
C200-1.3 | 空气 | 200 | 1.0 | 20 | 29.4 | 129.3 | 160 |
C200-1.4 | 空气 | 200 | 1.0 | 20 | 39.2 | 171 | 200 |
C200-1.5 | 空气 | 200 | 1.0 | 20 | 49.0 | 212 | 250 |
C200-1.6 | 空气 | 200 | 1.0 | 20 | 58.8 | 241 | 280 |
C200-1.7 | 空气 | 200 | 1.0 | 20 | 68.6 | 279 | 355 |
C200-1.8 | 空气 | 200 | 1.0 | 20 | 78.4 | 327 | 400 |
C250-1.2 | 空气 | 250 | 1.0 | 20 | 19.6 | 109 | 132 |
C250-1.3 | 空气 | 250 | 1.0 | 20 | 29.4 | 161 | 185 |
C250-1.4 | 空气 | 250 | 1.0 | 20 | 39.2 | 212 | 250 |
C250-1.5 | 空气 | 250 | 1.0 | 20 | 49.0 | 263 | 315 |
C250-1.6 | 空气 | 250 | 1.0 | 20 | 58.8 | 312 | 355 |
C250-1.7 | 空气 | 250 | 1.0 | 20 | 68.6 | 360 | 450 |
C250-1.8 | 空气 | 250 | 1.0 | 20 | 78.4 | 406 | 500 |
C300-1.3 | 空气 | 300 | 1.0 | 20 | 29.4 | 191 | 220 |
C300-1.4 | 空气 | 300 | 1.0 | 20 | 39.2 | 251 | 315 |
C300-1.5 | 空气 | 300 | 1.0 | 20 | 49.0 | 311 | 400 |
C300-1.6 | 空气 | 300 | 1.0 | 20 | 58.8 | 369 | 450 |
C300-1.7 | 空气 | 300 | 1.0 | 20 | 68.6 | 426 | 500 |
C300-1.8 | 空气 | 300 | 1.0 | 20 | 78.4 | 480 | 560 |
C300-1.9 | 空气 | 300 | 1.0 | 20 | 88.2 | 532 | 630 |
C350-1.3 | 空气 | 350 | 1.0 | 20 | 29.4 | 150 | 185 |
C350-1.4 | 空气 | 350 | 1.0 | 20 | 39.2 | 221 | 250 |
C350-1.5 | 空气 | 350 | 1.0 | 20 | 49.0 | 291 | 355 |
C350-1.6 | 空气 | 350 | 1.0 | 20 | 58.8 | 361 | 450 |
C350-1.7 | 空气 | 350 | 1.0 | 20 | 68.6 | 428 | 500 |
C350-1.8 | 空气 | 350 | 1.0 | 20 | 78.4 | 552 | 630 |
C350-1.9 | 空气 | 350 | 1.0 | 20 | 88.2 | 611 | 710 |
C400-1.3 | 空气 | 400 | 1.0 | 20 | 29.4 | 249 | 315 |
C400-1.4 | 空气 | 400 | 1.0 | 20 | 39.2 | 328 | 400 |
C400-1.5 | 空气 | 400 | 1.0 | 20 | 49.0 | 404 | 500 |
C400-1.6 | 空气 | 400 | 1.0 | 20 | 58.8 | 482 | 560 |
C400-1.7 | 空气 | 400 | 1.0 | 20 | 68.6 | 557 | 630 |
C400-1.8 | 空气 | 400 | 1.0 | 20 | 78.4 | 626 | 710 |
C400-1.9 | 空气 | 400 | 1.0 | 20 | 88.2 | 694 | 800 |
C400-2 | 空气 | 400 | 1.0 | 20 | 98 | 775 | 900 |
C500-1.5 | 空气 | 500 | 1.0 | 20 | 49.0 | 505 | 630 |
C500-1.6 | 空气 | 500 | 1.0 | 20 | 58.8 | 603 | 710 |
C500-1.7 | 空气 | 500 | 1.0 | 20 | 68.6 | 701 | 800 |
C500-1.8 | 空气 | 500 | 1.0 | 20 | 78.4 | 789 | 900 |
C500-1.9 | 空气 | 500 | 1.0 | 20 | 88.2 | 874 | 1000 |
C500-2.0 | 空气 | 500 | 1.0 | 20 | 98 | 969 | 1120 |
C500-2.1 | 空气 | 500 | 1.0 | 20 | 107.8 | 1066 | 1250 |
C600-1.5 | 空气 | 600 | 1.0 | 20 | 49.0 | 606 | 710 |
C600-1.6 | 空气 | 600 | 1.0 | 20 | 58.8 | 723 | 900 |
C600-1.7 | 空气 | 600 | 1.0 | 20 | 68.6 | 841 | 1000 |
C600-1.8 | 空气 | 600 | 1.0 | 20 | 78.4 | 946 | 1120 |
C600-1.9 | 空气 | 600 | 1.0 | 20 | 88.2 | 1048 | 1250 |
C600-2.0 | 空气 | 600 | 1.0 | 20 | 98 | 1162 | 1400 |
C600-2.1 | 空气 | 600 | 1.0 | 20 | 107.8 | 1269 | 1400 |
C600-2.2 | 空气 | 600 | 1.0 | 20 | 117.6 | 1374 | 1600 |
C600-2.5 | 空气 | 600 | 1.0 | 20 | 147 | 1635 | 1800 |
C800-1.5 | 空气 | 800 | 1.0 | 20 | 49 | 805 | 900 |
C800-2.0 | 空气 | 800 | 1.0 | 20 | 98 | 1549 | 1800 |
C800-2.5 | 空气 | 800 | 1.0 | 20 | 147 | 2190 | 2500 |
C1000-1.5 | 空气 | 1000 | 1.0 | 20 | 49 | 1060 | 1250 |
C1000-2.0 | 空气 | 1000 | 1.0 | 20 | 98 | 1936 | 2240 |
C1000-2.5 | 空气 | 1000 | 1.0 | 20 | 147 | 2738 | 2500 |
● 多级离心鼓风机典型布置
多级离心鼓风机典型布置(滚动轴承)
滑动轴承多级离心鼓风机典型布置
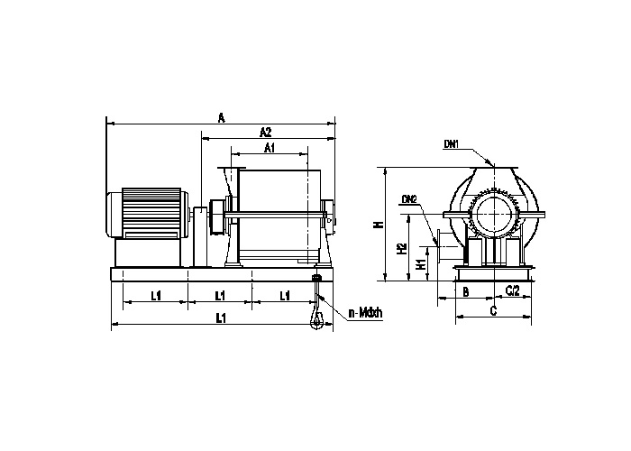
● 多级离心鼓风机外形尺寸
部分C系列多级低速离心鼓风机(滚动轴承)外形及安装尺寸表
(仅供参考,施工以合同设计图为准)
风机型号 | A | A1 | A2 | B | C | H2 | H1 | H | L | L1 | DN1 | DN2 | n-Mdxh |
C60-1.4 | 2670 | 950 | 1590 | 700 | 880 | 885 | 460 | 1635 | 2300 | 650 | 250 | 250 | 8-M24x500 |
C60-1.5 | 2780 | 1050 | 1680 | 700 | 880 | 885 | 460 | 1635 | 2400 | 700 | 250 | 250 | 8-M24x500 |
C80-1.5 | 2980 | 1050 | 1600 | 700 | 880 | 885 | 460 | 1635 | 2600 | 750 | 300 | 250 | 8-M24x500 |
C80-1.7 | 3110 | 1415 | 1800 | 700 | 880 | 885 | 460 | 1635 | 3000 | 900 | 300 | 250 | 8-M24x500 |
C100-1.2 | 2440 | 710 | 1510 | 800 | 1150 | 980 | 400 | 1635 | 2000 | 600 | 350 | 300 | 8-M24x500 |
C100-1.3 | 2740 | 890 | 1690 | 800 | 1150 | 980 | 400 | 1635 | 2300 | 650 | 350 | 300 | 8-M24x500 |
C100-1.4 | 3110 | 1070 | 1870 | 800 | 1150 | 980 | 400 | 1635 | 2400 | 700 | 350 | 300 | 8-M24x500 |
C100-1.5 | 3180 | 1070 | 1870 | 800 | 1150 | 980 | 400 | 1635 | 2500 | 700 | 350 | 300 | 8-M24x500 |
C100-1.6 | 3360 | 1250 | 2050 | 800 | 1150 | 980 | 400 | 1635 | 3000 | 900 | 350 | 300 | 8-M24x630 |
C100-1.7 | 3540 | 1430 | 2230 | 800 | 1150 | 980 | 400 | 1635 | 3000 | 900 | 350 | 300 | 8-M24x630 |
C125-1.2 | 2510 | 710 | 1510 | 800 | 1150 | 980 | 400 | 1635 | 2100 | 600 | 350 | 300 | 8-M24x500 |
C125-1.3 | 2930 | 890 | 1690 | 800 | 1150 | 980 | 400 | 1635 | 2500 | 700 | 350 | 300 | 8-M24x500 |
C125-1.4 | 3180 | 1070 | 1870 | 800 | 1150 | 980 | 400 | 1635 | 2800 | 800 | 350 | 300 | 8-M24x500 |
C125-1.5 | 3180 | 1070 | 1870 | 800 | 1150 | 980 | 400 | 1635 | 2800 | 800 | 350 | 300 | 8-M24x500 |
C125-1.6 | 3360 | 1250 | 2050 | 800 | 1150 | 980 | 400 | 1635 | 3000 | 900 | 350 | 300 | 8-M24x630 |
C125-1.7 | 3770 | 1430 | 2230 | 800 | 1150 | 980 | 400 | 1635 | 3150 | 900 | 350 | 300 | 8-M24x630 |
C150-1.2 | 2450 | 600 | 1400 | 800 | 1150 | 980 | 495 | 1830 | 2300 | 650 | 400 | 350 | 8-M24x630 |
C150-1.3 | 2910 | 800 | 1600 | 800 | 1150 | 980 | 495 | 1830 | 2500 | 700 | 400 | 350 | 8-M24x630 |
C150-1.4 | 3110 | 1000 | 1800 | 800 | 1150 | 980 | 495 | 1830 | 2750 | 800 | 400 | 350 | 8-M30x800 |
C150-1.5 | 3310 | 1200 | 2000 | 800 | 1150 | 980 | 495 | 1830 | 2950 | 900 | 400 | 350 | 8-M30x800 |
C150-1.6 | 3540 | 1200 | 2000 | 800 | 1150 | 980 | 495 | 1830 | 2950 | 900 | 400 | 350 | 8-M30x800 |
C150-1.7 | 3760 | 1400 | 2200 | 800 | 1150 | 980 | 495 | 1830 | 3150 | 900 | 400 | 350 | 8-M30x800 |
C150-1.8 | 3940 | 1600 | 2400 | 800 | 1150 | 980 | 495 | 1830 | 3350 | 1000 | 400 | 350 | 8-M30x800 |
C200-1.2 | 2740 | 660 | 1500 | 800 | 1200 | 980 | 495 | 1830 | 2400 | 700 | 400 | 400 | 8-M24x630 |
C200-1.3 | 3010 | 860 | 1700 | 800 | 1200 | 980 | 495 | 1830 | 2700 | 800 | 400 | 400 | 8-M24x630 |
C200-1.4 | 3210 | 1060 | 1900 | 800 | 1200 | 980 | 495 | 1830 | 2900 | 850 | 400 | 400 | 8-M24x630 |
C200-1.5 | 3640 | 1250 | 2100 | 800 | 1200 | 980 | 495 | 1830 | 3200 | 900 | 400 | 400 | 8-M30x800 |
C200-1.6 | 3840 | 1450 | 2300 | 800 | 1200 | 980 | 495 | 1830 | 3400 | 950 | 400 | 400 | 8-M30x800 |
C200-1.7 | 4450 | 1450 | 2300 | 800 | 1200 | 980 | 495 | 1830 | 3800 | 850 | 400 | 400 | 10-M30x800 |
C200-1.8 | 4660 | 1660 | 2510 | 800 | 1200 | 980 | 495 | 1830 | 4000 | 900 | 400 | 400 | 10-M30x800 |
C250-1.2 | 2740 | 600 | 1430 | 800 | 1250 | 1050 | 620 | 1900 | 3400 | 950 | 500 | 450 | 8-M30x800 |
C250-1.3 | 2945 | 790 | 1635 | 800 | 1250 | 1050 | 620 | 1900 | 3450 | 950 | 500 | 450 | 8-M30x800 |
C250-1.4 | 3075 | 790 | 1635 | 800 | 1250 | 1050 | 620 | 1900 | 3650 | 850 | 500 | 450 | 10-M30x800 |
C250-1.5 | 3275 | 990 | 1835 | 800 | 1250 | 1050 | 620 | 1900 | 3900 | 850 | 500 | 450 | 10-M30x800 |
C250-1.6 | 4175 | 1140 | 2025 | 800 | 1250 | 1050 | 620 | 1900 | 4050 | 900 | 500 | 450 | 10-M30x800 |
C250-1.7 | 4215 | 1180 | 2065 | 800 | 1250 | 1050 | 620 | 1900 | 4050 | 900 | 500 | 450 | 10-M30x800 |
C250-1.8 | 4385 | 1350 | 2235 | 800 | 1250 | 1050 | 620 | 1900 | 4250 | 950 | 500 | 450 | 10-M30x800 |
C300-1.5 | 4155 | 990 | 1835 | 800 | 1250 | 1050 | 620 | 1900 | 3950 | 900 | 500 | 450 | 10-M30x800 |
C300-1.7 | 4385 | 1180 | 2065 | 800 | 1250 | 1050 | 620 | 1900 | 4050 | 900 | 500 | 450 | 10-M30x800 |
● 多级离心鼓风机供货范围
序号 | 标准供货 | 选配供货 | ||
名称 | 数量 | 名称 | 数量 | |
1 | 鼓风机本体 | 1台 | 进口过滤消声器 | 1件 |
2 | 润滑装置 | 1套 | 出口消声器 | 1件 |
3 | 电动机 | 1台 | 出口软接头 | 1件 |
4 | 入口调节阀 | 1件 | 出口电动蝶阀 | 1件 |
5 | 联轴器 | 1套 | 放空消声器 | 1件 |
6 | 联轴器防护罩 | 1件 | 放空电动蝶阀 | 1件 |
7 | 底座 | 1件 | 止回阀 | 1件 |
8 | 地脚螺栓、螺母、垫片 | 1套 | 一次仪表 | 1套 |
9 | 备品备件 | 1套 | 就地控制柜 | 1台 |
* 表中润滑装置,滚动轴承风机含主机中,滑动轴承风机配稀油站。